| 熔断特性 | |||||
| 电流百分比 % | 80A~250A |
300A~500A | |||
| Min | Max | Min | Max | ||
| 100 | 4H | / | / | / | |
| 135 | 120s | 1800s | / | / | |
| 200 | 1Ss |
15s | 1s | 15s | |
| 350 | 0.3s | 5s | 0.5s | 5s | |
| 600 | 0.1s |
1s | 0.1s | 1s | |
东莞市钰云电子科技有限公司
Dongguan Ewin Electronic Technology Co., Ltd. ltd
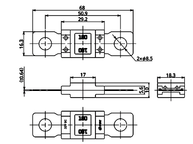
SBFW-K 小型螺栓汽车保险丝

产品名称:SBFW-K 小型螺栓汽车保险丝
额定电压:32VDC
熔断等级:1000A @ 32 VDC
温度范围:-40˚C + 125˚C
材料:锌合金、塑料
塑料原料:PA66
符合:ROHS
规格书下载 >>
| 熔断特性 | |||||
| 电流百分比 % | 80A~250A |
300A~500A | |||
| Min | Max | Min | Max | ||
| 100 | 4H | / | / | / | |
| 135 | 120s | 1800s | / | / | |
| 200 | 1Ss |
15s | 1s | 15s | |
| 350 | 0.3s | 5s | 0.5s | 5s | |
| 600 | 0.1s |
1s | 0.1s | 1s | |
| 产品线 | 电流(A) | 产品颜色 | 电压降(mV) | 电阻值(mΩ) | I²t |
| SBFW-K-3102 | 80 | 85 | 0.72 | 4200 | |
| SBFW-K-3112 | 100 | 83 | 0.58 | 10000 | |
| SBFW-K-3122 | 125 | 82 | 0.44 | 13000 | |
| SBFW-K-3132 | 150 | 89 | 0.36 | 21500 | |
| SBFW-K-3142 | 175 | 91 | 0.32 | 24000 | |
| SBFW-K-3152 | 200 | 95 | 0.30 | 25700 | |
| SBFW-K-3162 | 225 | 97 | 0.26 | 51200 | |
| SBFW-K-3172 | 250 | 100 | 0.24 | 73100 | |
| SBFW-K-3182 | 300 | 63 | 0.20 | 82000 | |
| SBFW-K-3134 | 350 | 50 | 0.18 | 100000 | |
| SBFW-K-3144 | 400 | 52 | 0.16 | 125000 | |
| SBFW-K-3154 | 450 | 56 | 0.14 | 125000 | |
| SBFW-K-3164 | 500 | 63 | 0.13 | 125000 |