| 熔断特性 | ||
| 电流百分比 % | Min | Max |
| 110 | 4H | / |
| 200 | 5s | 100s |
| 300 | 0.5s | 15s |
| 500 | / | 1s |
东莞市钰云电子科技有限公司
Dongguan Ewin Electronic Technology Co., Ltd. ltd
EVFG 新能源汽车保险丝

产品名称:EVFG 新能源汽车保险丝
额定电压:DC450V以下
开断能力:2000A
温度范围:-40˚C~100˚C
材料:合金、纯银
符合:ROHS PSE
| 熔断特性 | ||
| 电流百分比 % | Min | Max |
| 110 | 4H | / |
| 200 | 5s | 100s |
| 300 | 0.5s | 15s |
| 500 | / | 1s |
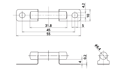
| 产品线 | 电流(A) | 螺栓尺寸 | 直径 | 电阻值( mΩ ) | 电压降(mV) |
| 2751 | 1 | M4 | φ6.4 | 230 | / |
| 2752 | 5 | 46 | / | ||
| 2746 | 10 | 16.7 | 84 |