东莞市钰云电子科技有限公司
Dongguan Ewin Electronic Technology Co., Ltd. ltd
电子类保险丝座
汽车类保险丝座
适用于ANS/MIDI系列
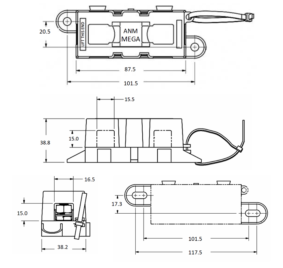
适用于ANM/MEGA系列
适用于ANL系列
MEGA汽车保险丝座
产品名称:MEGA汽车保险丝座
主题材质:塑料
接触端子:黄铜
工作电压:32V
负载电流:300A
阻燃等级:UL94V0
符合:ROHS