| 熔断特性 | |||
| 电流百分比 % | 开断时间Min/Max(S) |
||
| MIN | MAX | ||
| 110 | 100以上 | \ | |
| 135 | 0.75s |
120s | |
| 200 | 0.15s |
5s | |
| 350 | 0.04s |
0.5s | |
| 600 | 0.02s |
0.1s | |
东莞市钰云电子科技有限公司
Dongguan Ewin Electronic Technology Co., Ltd. ltd
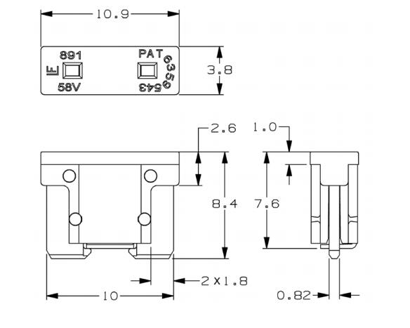
0891系列MINI 58V汽车保险丝

产品名称:低背58V汽车插片保险丝
额定电压:DC58V
熔断等级:1000A @ 58 VDC
温度范围:-40˚C~80˚C
材料:锌合金、塑料
塑料原料:PA66
符合:ROHS UL
规格书下载
| 熔断特性 | |||
| 电流百分比 % | 开断时间Min/Max(S) |
||
| MIN | MAX | ||
| 110 | 100以上 | \ | |
| 135 | 0.75s |
120s | |
| 200 | 0.15s |
5s | |
| 350 | 0.04s |
0.5s | |
| 600 | 0.02s |
0.1s | |
| 产品线 | 电流(A) | 产品颜色 | 电压降(mV) | 电阻值(mΩ) | I²t |
| 0891002._ | 2 | 151 | 54.2 | 3 | |
| 0891005._ | 5 | 114 | 17.21 | 22 | |
| 089107.5._ | 7.5 | 105 | 10.65 | 53 | |
| 0897010._ | 10 | 97 | 7.59 | 105 | |
| 0891015._ | 15 | 75 | 4.70 | 198 | |
| 0891020._ | 20 | 99 | 13.35 | 420 | |
| 0891025._ | 25 | 96 | 2.56 | 613 | |
| 0891030._ | 30 | 96 | 2.06 | 1100 |