| 熔断特性 | |||
| 电流百分比 % | 开断时间Min/Max(S) |
||
| MIN | MAX | ||
| 110 | 100以上 | \ | |
| 135 | 0.75s |
120s | |
| 200 | 0.15s |
5s | |
| 350 | 0.04s |
0.5s | |
| 600 | 0.02s |
0.1s | |
东莞市钰云电子科技有限公司
Dongguan Ewin Electronic Technology Co., Ltd. ltd
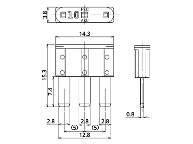
PEC精工BFSL汽车插片保险丝

产品名称:BFSL汽车插片保险丝
额定电压:DC32V
熔断等级:1000A @ 32 VDC
温度范围:-40˚C~80˚C
材料:锌合金、塑料
镀层:镀银
塑料原料:PA66
符合:ROHS
| 熔断特性 | |||
| 电流百分比 % | 开断时间Min/Max(S) |
||
| MIN | MAX | ||
| 110 | 100以上 | \ | |
| 135 | 0.75s |
120s | |
| 200 | 0.15s |
5s | |
| 350 | 0.04s |
0.5s | |
| 600 | 0.02s |
0.1s | |
| 产品线 | 电流(A) | 产品颜色 | 电压降(mV) | 电压降(mΩ) |
| BFSL-3.1183 | 5 | 115 | 16.5 | |
| BFSL-3.1184 | 7.5 | 105 | 10.2 | |
| BFSL-3.1185 | 10 | 104 | 7.38 | |
| BFSL-3.1186 | 15 | 97 | 4.55 |