| 熔断特性 | ||
| 电流百分比 % | 开断时间Min/Max(S) |
|
| 110 | 360000s/- | |
| 135 | 0.750s/600s |
|
| 200 | 0.150s/5.0s |
|
| 350 | 80ms/500ms |
|
| 600 | 0.030s/0.100s |
|
东莞市钰云电子科技有限公司
Dongguan Ewin Electronic Technology Co., Ltd. ltd
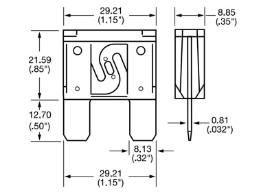
MAXI 大型汽车插片保险丝

产品名称:MAXI大型汽车插片保险丝
额定电压:58VDC
熔断等级:1000A @ 58 VDC
温度范围:-40˚C + 125˚C
材料:锌合金、尼龙
塑料原料:PA66
符合:ROHS
| 熔断特性 | ||
| 电流百分比 % | 开断时间Min/Max(S) |
|
| 110 | 360000s/- | |
| 135 | 0.750s/600s |
|
| 200 | 0.150s/5.0s |
|
| 350 | 80ms/500ms |
|
| 600 | 0.030s/0.100s |
|
| 产品线 | 电流(A) | 产品颜色 | 电压降(mV) | 电阻值(mΩ) | I²t |
| AB29-58V-020 | 20 | 76 | 3.10 | 1100 | |
| AB29-58V-025 | 25 | 75 | 2.39 | 2087 | |
| AB29-58V-030 | 30 | 77 | 1.95 | 4070 | |
| AB29-58V-035 | 35 | 75 | 1.71 | 6032 | |
| AB29-58V-040 | 40 | 75 | 1.42 | 8450 | |
| AB29-58V-050 | 50 | 73 | 1.10 | 11300 | |
| AB29-58V-060 | 60 | 77 | 0.89 | 15300 | |
| AB29-58V-070 | 70 | 61 | 0.64 | 21200 | |
| AB29-58V-080 | 80 | 62 | 0.54 | 43600 | |
| AB29-58V-100 | 100 | 58 | 0.48 | 55100 |