东莞市钰云电子科技有限公司
Dongguan Ewin Electronic Technology Co., Ltd. ltd
电子类保险丝座
适用于微型保险丝
金属保险丝夹
保险丝底座
汽车类保险丝座
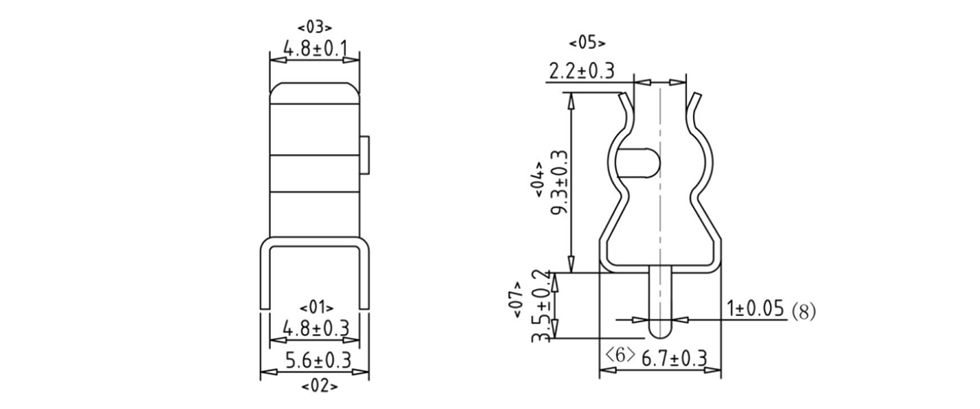
FS001保险丝夹座
产品名称:FS001保险丝夹座
主题材质:黄铜
镀层:锡、镍、
工作电压:250V
负载电流:10A
符合:ROHS