东莞市钰云电子科技有限公司
Dongguan Ewin Electronic Technology Co., Ltd. ltd
电子类保险丝座
适用于5*20mm保险丝
适用于6*30mm保险丝
适用于其他型号保险丝
汽车类保险丝座
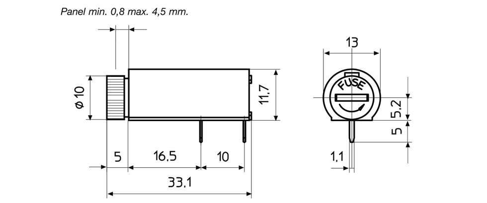
PTF-50保险丝座
产品名称:PTF-50保险丝座
主题材质:电木
接触端子:合金
工作电压:DC250V
负载电流:10A
适用于:5*20mm保险丝
工作温度:-30℃~125℃
符合:ROHS UL